Модератор: Модераторы форума




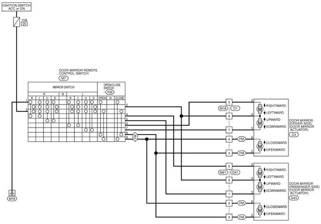
Tariel писал(а):Гляньте, плз, в сложенном положении у вас лопухи симметрично торчат? У меня водительский малехо оттопырен.


Викторович писал(а):Ну а Антокса наверное имел ввиду как раз сами зеркала, их регулеровку.

Викторович писал(а):Tariel писал(а):Гляньте, плз, в сложенном положении у вас лопухи симметрично торчат? У меня водительский малехо оттопырен.
Так вот. Именно так и должно быть, по тому что они и в открытом состоянии чуть но под разным углом стоят, просто в открытом не заметно. А когда складываешь так пасажирское прижимается плотнее.
А разный угол по тому что сидишь ты ближе к водительскому. По этому уголы зеркал (корпусов зеркал) разный.
Ну а Антокса наверное имел ввиду как раз сами зеркала, их регулеровку.


URRI писал(а):должны симметрично быть, по-правильному
сомневаюсь.


Викторович писал(а):URRI писал(а):
должны симметрично быть, по-правильному
от куда такая уверенность что правильно а что нет???
Рено это что эталон автомобилестроения сомневаюсь.
Зарегистрированные пользователи: Google [Bot]