Вт сен 25, 2018 19:23:12
Вт сен 25, 2018 19:28:33
Вт сен 25, 2018 19:40:32
STORM писал(а):Антенна работает?
Заменить на акулий плавник?
...
Вт сен 25, 2018 19:45:52
Shadow писал(а):Ну да, самэ так...
По ходу досталась така "прыблуда" http://carmusicshop.com.ua/avtomagnitoly-i-komplektuushhie/avtomobilnye-antenny/calearo-ant-77-27-085.html
Хочу заменить свою, но пока не понимаю, что нужно кроме самой "прыблуды"...
Вт сен 25, 2018 19:46:55
Вт сен 25, 2018 19:53:12

Вт сен 25, 2018 19:56:59
STORM писал(а):Если сильно хочется акулий плавник то вот такой нужно.
Дел три минуты.
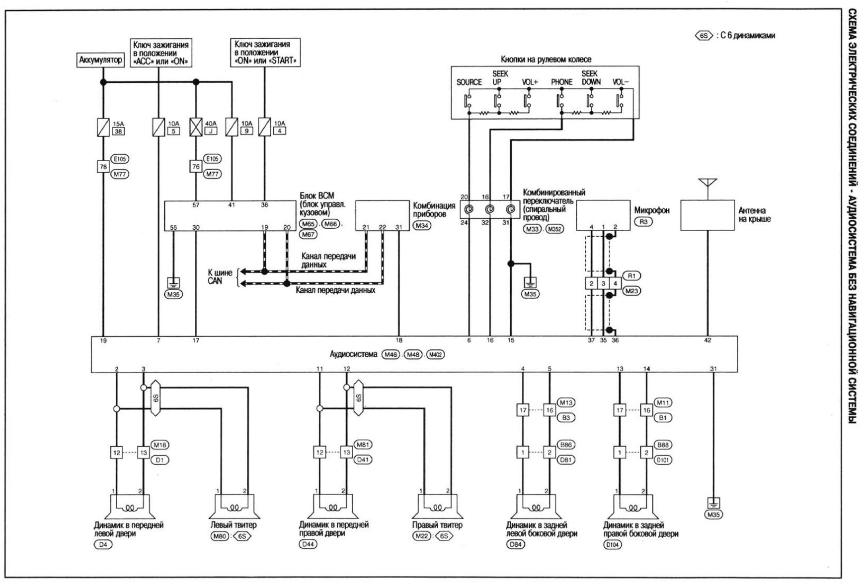
mutexx писал(а):Какое питание, какие адаптеры? Насколько мне известно штатная антенна это пассивный элемент, один провод и все.
Вт сен 25, 2018 20:02:12
Shadow писал(а):
Сорри, но это будет не антенна, а гуано... Меня радио интересует, а не внешний вид....
Потому и спрашиваю, кто разбирал и кто знает...
Вт сен 25, 2018 20:06:59
STORM писал(а):Ну значит будешь первый. И нам расскажешь. Не забудь.
Вт сен 25, 2018 20:32:59
Вт сен 25, 2018 20:38:13
Shadow писал(а):По ходу досталась така "прыблуда"
Вт сен 25, 2018 20:45:38
bykovdima писал(а):5к грн... серьезно?
Вт сен 25, 2018 20:47:53
mutexx писал(а):покурил еще одну мурзилку, наличие усилителя не подтверждается
Вт сен 25, 2018 21:19:56
Вт сен 25, 2018 21:30:39
Shadow писал(а):Та я и сам верю, но не могу понять: питание штатной антенны по антенному проводу, либо отдельно?