Помоему все ясно.

sauron
- sauron
- Сообщений: 2405
- Зарегистрирован: Вс дек 09, 2007 21:17:31
- Авто: Mazda CX-5
Выбираю Бойлер
Чт июл 02, 2009 15:27:45
Господа, давайте обсудим выбор бойлеров.
Добавлено и закреплено в шапке темы:- 1. Какую оптимальную температуру надо выставлять на бойлере, чтобы зря не греть атмосферу? | +
- Чем толще теплоизоляция накопительного водонагревателя, тем быстрее нагревается вода и медленнее остывает, меньше затрачивается электроэнергии для нагрева воды в этом накопительном водонагревателе, а электрический водонагреватель в общем экономичнее другого (такого же объёма, но с меньшей толщиной теплоизоляции). Например: Дражице - от 42 мм., АЕГ и Татрамат - от 35 мм, Фагор и Электролюкс SL - от 30 мм., Штибель Элтрон - от 20мм. Теси - 17 мм., Браун - 15 мм. и т.д.
Водонагреватели накопительные имеют тепловые потери (заданные на заводе), которые зависят от толщины высокоэффективной пенополиуретановой теплоизоляции, температуры в котле водонагревателя и предполагаемой температуры в помещении его установки. На основании технических данных разных моделей водонагревателей, выведена практическая методика расчёта оптимальной эксплуатационной температуры воды, показывающую зависимость оптимальной температуры нагрева воды в накопительном водонагревателе, от толщины его теплоизоляции. Зависимость такая: 1 мм. толщины теплоизоляции = 1,2 oС разницы температуры воды внутри водонагревателя и температуры помещения.
Чтобы узнать, какой должна быть оптимальная температура нагрева воды в выбранном вами накопительном водонагревателе (относительно толщины теплоизоляции этого водонагревателя, на боковой поверхности), умножьте толщину теплоизоляции выбранного вами водонагревателя на коэффициент = 1,2. К полученной цифре прибавьте температуру помещения, в котором установлен водонагреватель накопительный.
Пример: толщина теплоизоляции водонагревателя = 35 мм. 35 х 1,2 = 42 oС.
В помещении у вас температура 22 oС. Значит: 22 oС + 42 oС = 64 oС.
Вывод: Значит ваш накопительный бытовой водонагреватель, и его толщина теплоизоляции рассчитаны на оптимальную температуру нагрева воды (с минимальными потерями) = 64 oС. При увеличении температуры в котле водонагревателя выше расчётной 64 oС, тепловые потери будут возрастать, а экономичность работы накопительного водонагревателя уменьшаться. Вычислив оптимальную температуру для эффективной эксплуатации, вы сможете настроить ваш водонагреватель ёмкостной, на самый экономичный режим работы.
Если толщину теплоизоляции Вы не знаете, то просто потрогайте рукой нагревшийся бойлер в средней его части. Если поверхность ощутимо тёплая, то тепло уходит в атмосферу, толщина теплоизоляции недостаточна для такой температуры, уменьшите температуру
- 2. Хватит ли мне х-литровго бойлера? Сколько литров воды комфортной температуры в ванне я могу получить, полностью нагрев бойлер до максимума и смешав с холодной? | +
- Формула расчета количества и температуры смешанной воды

Пример:

Пример:

- 3. Сколько часов будет нагреваться бойлер? | +
- Подставляем известные значения в формулу:

где ~V — объём бака (л); ~T2 — температура нагретой воды (обычно 60°C); ~T1 — исходная температура холодной воды (летом 15 градусов, зимой 5); ~W — электрическая мощность нагревательного элемента (кВт)
Последний раз редактировалось
sauron Чт июл 02, 2009 15:42:28, всего редактировалось 1 раз.
oreh
- oreh
- Сообщений: 9561
- Зарегистрирован: Вт май 06, 2008 16:42:22
- Откуда: Харьков
- Авто: Nissan Qashqai, 2.0CVT, 4WD, Tekna Pack
Re: Выбираю Бойлер
Вс июн 14, 2020 01:00:18
elektron, конечно узо срабатывает без наличия заземления.... Разница только в моменте когда оно срабатывает, сразу при пробое или когда ты рукой возьмешься.
levsha
- levsha
- Сообщений: 10981
- Зарегистрирован: Сб май 07, 2011 21:13:36
- Откуда: Lachen
- Авто: PEUGEOT 5008 1.6 EAT6 GT Line
- Сайт
Re: Выбираю Бойлер
Вс июн 14, 2020 10:20:12
elektron писал(а):levsha писал(а):Утечка будет или ближе к "левому" контакту, или посредине, или ближе к "правому контакту", фаза будет или на "левом" контакте или на "правом" контакте - что так что так один из трех вариантов вообще без риска, второй так себе, третий плохой.
Утечка обычно происходит на корпус бойлера, гальванически развязанного от фазы и нуля сети питания. Если утечка будет с подаваемой на любой из концов ТЭНа фазы, то
на корпусе бойлера будет 220 вольт, если с середины тена - то 110 вольт, если с ноля - то НОЛЬ вольт.

Спасибо, кэп!
И? Так какая разница на каком из концов гальванически развязанного от корпуса симметричного ТЭНа будет фаза, а на каком ноль?
elektron
- elektron
- Сообщений: 8603
- Зарегистрирован: Сб фев 09, 2008 22:24:16
- Авто: Nissan Qashqai (2008)
Re: Выбираю Бойлер
Вс июн 14, 2020 10:21:54
oreh писал(а):Разница только в моменте когда оно срабатывает, сразу при пробое или когда ты рукой возьмешься.
Это важнейшее замечание. У кого бойлер заземлен по всем правилам, у того УЗО сработает до того, как дяденьку йопнет током. У кого не заземлен, то УЗО сработает как раз от того, что по дяденьке потечет ток в 30мА. Неприятно, но должно защитить и разорвать оба несущих провода.
Батарейкой проверяют тип УЗО, когда к примеру на базаре ты покупаешь вслепую и не знаешь, оно электронное или электромеханическое. При помощи одной батарейки все узнаётся за полсекунды.
oreh
- oreh
- Сообщений: 9561
- Зарегистрирован: Вт май 06, 2008 16:42:22
- Откуда: Харьков
- Авто: Nissan Qashqai, 2.0CVT, 4WD, Tekna Pack
Re: Выбираю Бойлер
Вс июн 14, 2020 10:27:55
elektron, мое мнение, что покупать неизвестно что в этом деле - полнейшая глупость. А так, на самом узо или в доках производителя все должно быть
elektron
- elektron
- Сообщений: 8603
- Зарегистрирован: Сб фев 09, 2008 22:24:16
- Авто: Nissan Qashqai (2008)
Re: Выбираю Бойлер
Вс июн 14, 2020 10:29:49
levsha писал(а):Спасибо, кэп!
И? Так какая разница на каком из концов гальванически развязанного от корпуса симметричного ТЭНа будет фаза, а на каком ноль?
Никакой. Я уже писал выше. Не прочитал разве?

Вопрос заключался изначально в единообразии изготовления проводов питания по стандартам: существует это единообразие или нет? Все остальное было уже из серии теоретической практики и практической теории, и почему-то плавно перешло в "без разницы как воткнуть".
Дело в том, что зачастую корпус приборов гальванически развязан от ноля и фазы сети питания, но по переменному току, например конденсаторами или др. фильтрами, соединен с нулем проводки и с заземляющей клеммой. Бывает даже и гальванически очень высокоомным резистором в несколько ГОм, бывает комбинированно. Там могут быть некоторые нюансы в том случае, если корпус не заземлен.
levsha
- levsha
- Сообщений: 10981
- Зарегистрирован: Сб май 07, 2011 21:13:36
- Откуда: Lachen
- Авто: PEUGEOT 5008 1.6 EAT6 GT Line
- Сайт
Re: Выбираю Бойлер
Вс июн 14, 2020 12:19:45
Сэнсэй писал(а):oreh писал(а):когда ты берешься рукой, ты разветвляешь цепь
Сопротивление всего человека принято считать за 1000 Ом, сопротивление ТЭНа - 20-30 Ом. С какой стороны ТЭНа ни схватись, вклад его части "до разветвления" в общее сопротивление цепи несущественный.
Только через тело человека будет идти не весь ток цепи, а малая его часть.
Сэнсэй писал(а):elektron писал(а):Если утечка будет с подаваемой на любой из концов ТЭНа фазы, то на корпусе бойлера будет 220 вольт, если с середины тена - то 110 вольт, если с ноля - то НОЛЬ вольт
Вова, убивают не вольты, а амперы. Для качественного отхода в мир иной достаточно лишь 50-100 МИЛЛИампер получить из розетки. Когда мы иногда щёлкаем статикой об дверцу авто, то при этом пропускаем 3-5 ТЫСЯЧ вольт, но кроме упоминаний какой-то матери, последствий не испытываем.
Убивают амперы. Только не амперы через ТЭН, а амперы через тело человека. А это не те же амперы, что идут через ТЭН. А амперы, которые пойдут через тело человека, определяются напряжением и сопротивлением тела человека. И нет, на нулевом контакте работющего ТЭНа не будет никаких 220V.
levsha
- levsha
- Сообщений: 10981
- Зарегистрирован: Сб май 07, 2011 21:13:36
- Откуда: Lachen
- Авто: PEUGEOT 5008 1.6 EAT6 GT Line
- Сайт
Re: Выбираю Бойлер
Вс июн 14, 2020 13:12:59
Сэнсэй писал(а):Если взяться рукой за конец включённого ТЭНа, который подключён к нулю, то, с большой вероятностью, чашка чая будет последней. В однофазной сети ток по фазовому и нулевому проводнику протекает одинаковый и зависит только от подключённой нагрузки (ну, и от её реактивности). Пока бойлер не включен, фазы на нулевом контакте прибор не покажет. Но, как только бойлер заработает и через него потечёт ток, соответствующий сопротивлению бойлера, индикатор покажет "фазу" на обоих контактах.
Индикатор ничего покажет, а вольтметр на нулевом контакте покажет напряжение, очень близкое к нулю (которое будет определяется соотношением сопротивления бойлера к сопротивлению провода, подключающего этот бойлер).
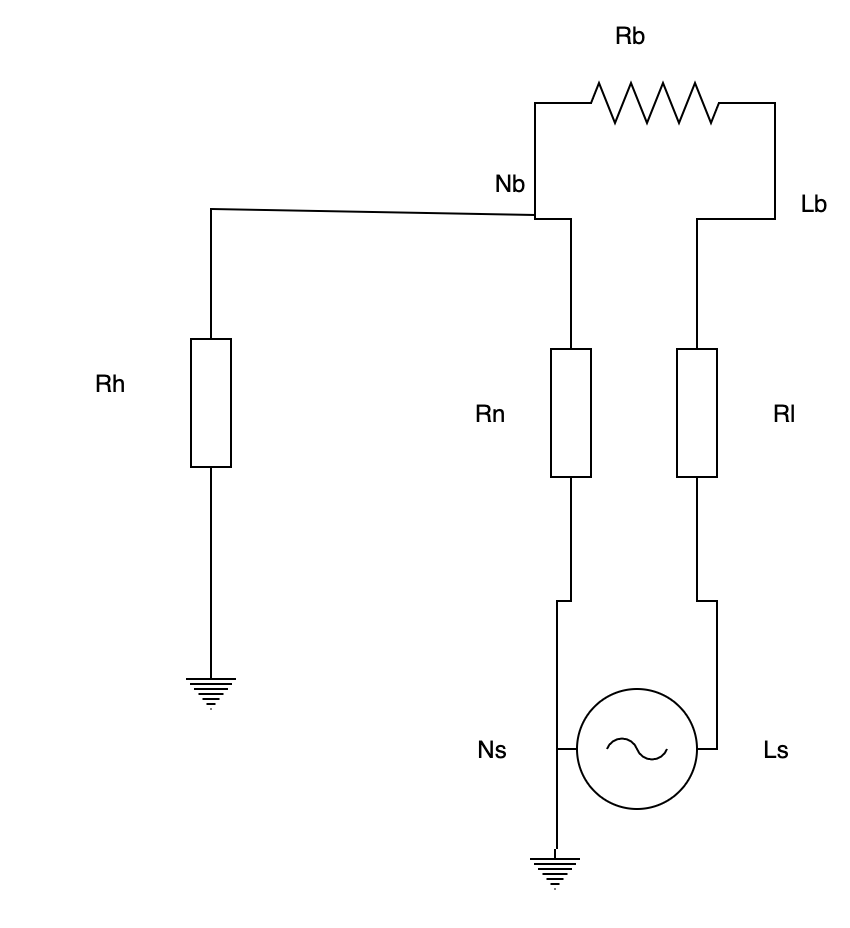
Вот схема с бойлером и человеком, схватившимся за нулевой контакт бойлера:
Ls - напряжение фазы на щитке, Ns - ноль на щитке, Lb и Nb - напряжение фазы и ноля на контактах ТЭНа бойлера, Rl и Rn - сопротивление фазового и нулевого проводов от щитка к бойлеру, Rb - сопротивление бойлера, Rh - сопротивление человека.
Теперь давай накидаем немного цифр.
Ls = 220v
Ns = 0
Rb = 20 Ohm
Rh = 1'000 Ohm.
Провод возьмём минимальный допустимый для 16A: медный сечением 1mm^2, пусть будет 10 метров от щитка. Итого при удельном сопротивлении меди 0.017 Ohm*mm^2/m сопротивление одного проводника буде.т 0.017 * 10 / 1 = 0.17 Ohm
Таким образом общее сопротивлении цепи будет Rsum = Rl + Rb + Rh*Rn/(Rh+Rn) = 0.17 + 20 + 0.17*1000/(0.17+1000) = 20.34 - ожидаемо чуть-чуть больше сопротивления бойлера.
Таким образом общий ток через цепь будет Isum = (Ls - Ns)/Rsum = (220-0)/20.34 = 10.82 A
Давай теперь посчитаем напряжения Lb и Nb
Lb = Ln - Isum * Rl = 220 - 10.82 * 0.17 = 218.16 V - ожидаемо чуть-чуть ниже напряжения сети.
Nb = Isum * Rnh = Isum * (Rn*Rh/(Rn+Rh)) = 10.82 * (0.17*1000(0.17+1000) = 1.84 V - ожидаемо чуть-чуть выше ноля.
Какой же ток потечет через тело человека? Давай посчитаем.
Ih = Nb / Rh = 1.84 / 1000 = 0.00184 A - такой ток не предоставляет никакой опасности, он находится на границе ощущения.
levsha
- levsha
- Сообщений: 10981
- Зарегистрирован: Сб май 07, 2011 21:13:36
- Откуда: Lachen
- Авто: PEUGEOT 5008 1.6 EAT6 GT Line
- Сайт
Re: Выбираю Бойлер
Вс июн 14, 2020 13:20:46
Сэнсэй писал(а):oreh писал(а):рисуй
Пришлось найти онлайн сервис
https://easyeda.com , вот, нацарапал просто схемку:

R1 - ТЭН, R2 - человек. Допустим, как Вова писал выше, пробой случился ровно на середине ТЭНа, что изображено, как выставленный на 50% ползунок переменного резистора. Человек оказался под 110В, ТЭН продолжает находиться под 220. У меня получается 110мА при 110В через человека, что фатально. Что скажешь?
Скажу что это другая схема. Ты нарисовал что будет при пробое ТЭНа ровно посредине на незаземленный корпус. Да, очевидно что будет плохо. И с этим вообще то никто и не спорил. Спорили с твоим утверждением
Сэнсэй писал(а):Если взяться рукой за конец включённого ТЭНа, который подключён к нулю, то, с большой вероятностью, чашка чая будет последней. В однофазной сети ток по фазовому и нулевому проводнику протекает одинаковый и зависит только от подключённой нагрузки (ну, и от её реактивности). Пока бойлер не включен, фазы на нулевом контакте прибор не покажет. Но, как только бойлер заработает и через него потечёт ток, соответствующий сопротивлению бойлера, индикатор покажет "фазу" на обоих контактах.
Так что давай теперь перемести на своей картинке ползунок полностью вниз - на нулевой конец ТЭНа, и покажи откуда там вдруг возьмётся фазовое напряжение.
levsha
- levsha
- Сообщений: 10981
- Зарегистрирован: Сб май 07, 2011 21:13:36
- Откуда: Lachen
- Авто: PEUGEOT 5008 1.6 EAT6 GT Line
- Сайт
Re: Выбираю Бойлер
Вс июн 14, 2020 14:13:54
elektron писал(а):levsha писал(а):Спасибо, кэп!
И? Так какая разница на каком из концов гальванически развязанного от корпуса симметричного ТЭНа будет фаза, а на каком ноль?
Никакой. Я уже писал выше. Не прочитал разве?

Ну так же ты писал выше что есть принципиальная разница.
elektron писал(а):Вопрос заключался изначально в единообразии изготовления проводов питания по стандартам: существует это единообразие или нет? Все остальное было уже из серии теоретической практики и практической теории, и почему-то плавно перешло в "без разницы как воткнуть".
На что несколько раз был дан ответ: стандарт не задаёт на каком из проводов питания будет фаза, на каком ноль.
elektron писал(а):Дело в том, что зачастую корпус приборов гальванически развязан от ноля и фазы сети питания, но по переменному току, например конденсаторами или др. фильтрами, соединен с нулем проводки и с заземляющей клеммой. Бывает даже и гальванически очень высокоомным резистором в несколько ГОм, бывает комбинированно. Там могут быть некоторые нюансы в том случае, если корпус не заземлен.
И такие фильтры обычно соединяют обе питающих линии на землю. Потому что ещё раз: если прибор идёт с вилкой питания, то производитель не имеет права рассчитывать на какой линии будет фаза, а на какой ноль.
elektron
- elektron
- Сообщений: 8603
- Зарегистрирован: Сб фев 09, 2008 22:24:16
- Авто: Nissan Qashqai (2008)
Re: Выбираю Бойлер
Вс июн 14, 2020 17:55:31
Та уже хрен с ним! Разобрались с фазами. Правильный ответ: фазовый провод в шнуре подведен к левому контакту его вилки, но как включать эту вилку в розетку значения не имеет.
Лучше скажите как правильно использовать две ступени разогрева ТЭНа (или два тена?), там у меня две кнопки. Включать их одновременно и пусть греют обе или пусть одна ступень греет, а вторую будем экономить?

И какая температура оптимальна с точки зрения "эко" режима? Попробовал 30 градусов - получается не очень горячая вода, можно сказать что по понятиям - холодная.
BIS
- BIS
- Сообщений: 3392
- Зарегистрирован: Вс авг 21, 2011 18:05:23
- Откуда: Полтава
- Авто: X-trail e-power e-4orce n-connecta,X-trail 4WD CVT2.0 ACENTA
Re: Выбираю Бойлер
Вс июн 14, 2020 18:48:19
elektron писал(а):Лучше скажите как правильно использовать две ступени разогрева ТЭНа (или два тена?), там у меня две кнопки. Включать их одновременно и пусть греют обе или пусть одна ступень греет, а вторую будем экономить?

IMHO если у тебя не стоит очередь в душ, то лучше одну. Меньше нагрузка на проводку. Тэны возможно дольше прослужат. Они рядом и могут вероятно друг на друга немного влиять. Турбо режим нужен если бойлер полностью опустошили и стоит очередь из желающих помыться.
elektron писал(а):И какая температура оптимальна с точки зрения "эко" режима? Попробовал 30 градусов - получается не очень горячая вода, можно сказать что по понятиям - холодная.
Если будешь держать 30 градусов, то с большой долей вероятности заведутся бацилы. Вода будет вонять. Рекомендуют догревать бойлер до 60-ти градусов (или делать это периодически). С точки зрения тактильных ощущений лучший диапазон температур от 35 до 45 градусов. При 50-51 могут уже быть болевые ощущения.
Можно держать бойлер горячим и поставить на выходе
Термостатический смесительный клапан На нем уже будет регулироваться нужная температура воды.
BIS
- BIS
- Сообщений: 3392
- Зарегистрирован: Вс авг 21, 2011 18:05:23
- Откуда: Полтава
- Авто: X-trail e-power e-4orce n-connecta,X-trail 4WD CVT2.0 ACENTA
Re: Выбираю Бойлер
Вс июн 14, 2020 18:58:05
Я детворе на стройку вот такой "бойлер" купил
Сэнсэй
- Сэнсэй
- Сообщений: 21371
- Зарегистрирован: Вс ноя 11, 2007 13:32:10
- Откуда: Киев, Позняки
- Авто: Nissan Qashqai 2.0, TeknaPack, 2007, CVT, 4WD
Re: Выбираю Бойлер
Вс июн 14, 2020 20:10:36
levsha писал(а):Так что давай теперь перемести на своей картинке ползунок полностью вниз - на нулевой конец ТЭНа, и покажи откуда там вдруг возьмётся фазовое напряжение.
Я там ниже картинки ещё бегло прикинул про перемещение вниз на 20% от длины ТЭНа и написал, что при этом на 40 вольтах тоже будет всё печально. Да, про перемещение в самый-самый низ, на 0% длины, погорячился, признаю. Если, например, фатальные 30мА можно получить уже с отрезка в 20% длины, то получается, что вероятность пробоя на этом отрезке тоже 20% и надеяться что повезёт именно с такой длиной - излишне оптимистично. Тем более, что среднепотолочные 1000 Ом на всё тело человека - это очень условно. Сухой человек или только из душа, на коврике или ногами в луже, схватился рукой за бойлер и второй рукой за полотенцесушитель - всё это может кардинально поменять все расчёты. От того и не 30мА УЗО рекомендуют для мокрых зон, а 10 мА. Собственно, это всё к тому, что на цветовую маркировку фазы-нуля надеяться совсем нельзя, можно только на правильный монтаж правильного электромеханического УЗО.
levsha
- levsha
- Сообщений: 10981
- Зарегистрирован: Сб май 07, 2011 21:13:36
- Откуда: Lachen
- Авто: PEUGEOT 5008 1.6 EAT6 GT Line
- Сайт
Re: Выбираю Бойлер
Вс июн 14, 2020 20:21:14
Тут есть много факторов, которые играют роль и могут в результате позитивно повлиять на исход. Но это однозначно не тот вопрос, где стоит надеяться на что-то. Особенно на то, что никто не обещал, даже если обычно так делают.
Сэнсэй
- Сэнсэй
- Сообщений: 21371
- Зарегистрирован: Вс ноя 11, 2007 13:32:10
- Откуда: Киев, Позняки
- Авто: Nissan Qashqai 2.0, TeknaPack, 2007, CVT, 4WD
Re: Выбираю Бойлер
Вс июн 14, 2020 20:22:40
elektron писал(а):Лучше скажите как правильно использовать две ступени разогрева ТЭНа (или два тена?), там у меня две кнопки. Включать их одновременно и пусть греют обе или пусть одна ступень греет, а вторую будем экономить?
И какая температура оптимальна с точки зрения "эко" режима? Попробовал 30 градусов - получается не очень горячая вода, можно сказать что по понятиям - холодная.
Поддерживаю, что два ТЭНа сразу - только когда нужно экстренно много нагреть.
С точки зрения энергоэффективности температуру бойлера надо держать такую, чтобы положенной на центр корпуса бойлера рукой почти не ощущать от него нагрева. Каждый бойлер по-разному сделан, где-то толще утеплитель, где-то тоньше, поэтому и оптимальная температура у всех немного разная. Я держу на 50 градусах: так и бойлер снаружи не тёплый, и для семьи из трёх человек 80-литровика хватает. Если уж в ванне поплескаться, тогда, конечно, заранее врубаю два ТЭНа и температуру на максимум. Под свой литраж можешь пересчитать по формулам, которые я в шапке темы когда-то прикрепил.
С точки зрения долговечности, думаю, тоже выше 50 градусов держать не стоит: чем выше температура, тем активнее идёт выход солей из воды, ТЭН покрывается коркой, дальше локальный перегрев - и привет. Магниевый анод спасает, пока новый.
Powered by phpBB © phpBB Group.
phpBB Mobile / SEO by Artodia.