Ant0n
- Ant0n
- Сообщений: 3840
- Зарегистрирован: Чт май 08, 2008 10:25:07
- Авто: Qashqai 1.6 cvt dci
Re: Сел аккумулятор
Вт окт 28, 2014 12:06:11
Я покупал в этом году фиам на бориспольской. Кий-транс.
Там же можно сдать старый по весу.
oleg_t
- oleg_t
- Сообщений: 8976
- Зарегистрирован: Вс июн 14, 2009 21:29:59
- Откуда: Киев, Осокорки
- Авто: Qashqai 2007 2.0 4х4 CVT Silver Евросвет; ГБО BRC p&d
Re: Сел аккумулятор
Вт окт 28, 2014 12:28:28
На трех машинах стоит Varta Silver.
Одной Варте третий год пошел, двум второй.
Будем посмотреть.
flex
- flex
- Сообщений: 3520
- Зарегистрирован: Ср май 21, 2008 20:57:33
- Откуда: Киев
- Авто: Nissan Qashqai
Re: Сел аккумулятор
Пт дек 05, 2014 11:30:01
Очень рекомендую перед снятием/заменой аккума всегда проверять механическим ключом привод замка водительской двери!
2 дня назад сам наступил на эту граблю - закрыл все двери ЦЗ, снял аккум и захлопнул капот, не проверив мех. ключом замок вод. двери.
Замок ключом не открывается... теперь думаю, что делать.
ДВОЙНЯШКИ
- ДВОЙНЯШКИ
- Сообщений: 16473
- Зарегистрирован: Пт янв 18, 2008 16:58:54
- Откуда: Київ
- Авто: Subaru Forester (Nissan Qashqai)
Re: Сел аккумулятор
Пт дек 05, 2014 11:47:25
flex
Може, просто примерзло?
Voyager
- Voyager
- Сообщений: 1351
- Зарегистрирован: Вс апр 25, 2010 18:02:10
- Откуда: Одесса
- Авто: Qashqai 1.6 B52 2007
Re: Сел аккумулятор
Пт дек 05, 2014 11:55:19
flex писал(а):Замок ключом не открывается... теперь думаю, что делать.
Если не ошибаюсь, режим механического открытия ключем может активирован, а может быть деактивирован. И по-моему на эту тему написано в мурзилке. Естественно проверять это надо до снятия аккумулятора.
Ну а сейчас, если не будет других вариантов, брать специалистов и открывать капот снаружи и ставить аккумулятор.
DimaCh
- DimaCh
- Сообщений: 501
- Зарегистрирован: Ср окт 31, 2012 15:22:14
- Откуда: Київ, Шулявка
- Авто: Nissan Qashqai 1.6 CVT LE+
Re: Сел аккумулятор
Пт дек 05, 2014 12:02:06
Капот открывается снизу. Предварительно снимается пластиковая защита. На морозе эта процедура само-собой "нефонтан".
flex
- flex
- Сообщений: 3520
- Зарегистрирован: Ср май 21, 2008 20:57:33
- Откуда: Киев
- Авто: Nissan Qashqai
Re: Сел аккумулятор
Пт дек 05, 2014 13:27:15
Voyager писал(а):Если не ошибаюсь, режим механического открытия ключем может активирован, а может быть деактивирован. И по-моему на эту тему написано в мурзилке.
В мурзилке не нашел такого, чтобы можно было деактивировать мех. привод замка.
Да и не логично это, имхо...
Voyager
- Voyager
- Сообщений: 1351
- Зарегистрирован: Вс апр 25, 2010 18:02:10
- Откуда: Одесса
- Авто: Qashqai 1.6 B52 2007
Re: Сел аккумулятор
Пт дек 05, 2014 14:13:16
flex писал(а):Voyager писал(а):Если не ошибаюсь, режим механического открытия ключем может активирован, а может быть деактивирован. И по-моему на эту тему написано в мурзилке.
В мурзилке не нашел такого, чтобы можно было деактивировать мех. привод замка.
Да и не логично это, имхо...
Раздел "Запирание/отпирание при помощи ключа", там в конце есть Инициализация системы. Возможно в этом причина.
Kola
- Kola
- Сообщений: 89
- Зарегистрирован: Ср июн 04, 2014 15:02:49
- Авто: Nissan Qashqai
Re: Сел аккумулятор
Пт дек 05, 2014 16:36:10
Такая мысль , может получится . Снять плафон подсветки заднего номера и через него подать 12 вольт . Может хватит на открывание дверей . Легче чем лезть под машину и открывать капот .
flex
- flex
- Сообщений: 3520
- Зарегистрирован: Ср май 21, 2008 20:57:33
- Откуда: Киев
- Авто: Nissan Qashqai
Re: Сел аккумулятор
Пт дек 05, 2014 16:43:11
Kola писал(а):Такая мысль , может получится . Снять плафон подсветки заднего номера и через него подать 12 вольт.
Чтобы снять задний фонарь, нужно открутить два болта под задней дверью...
bykovdima
- bykovdima
- Сообщений: 9912
- Зарегистрирован: Ср май 28, 2008 14:02:03
- Откуда: Миколаїв
- Авто: не кашкай
Re: Сел аккумулятор
Пт дек 05, 2014 16:51:28
flexKola писал(а):плафон подсветки заднего номера
там кажется ничего откручивать не надо, но не чревато ли для электроники такое подключение ?
oreh
- oreh
- Сообщений: 9561
- Зарегистрирован: Вт май 06, 2008 16:42:22
- Откуда: Харьков
- Авто: Nissan Qashqai, 2.0CVT, 4WD, Tekna Pack
Re: Сел аккумулятор
Пт дек 05, 2014 17:02:53
Kola писал(а):Такая мысль , может получится . Снять плафон подсветки заднего номера и через него подать 12 вольт . Может хватит на открывание дверей . Легче чем лезть под машину и открывать капот .
а подсветка всегда светится или с габаритами?
Когда-то аналогичная проблема была у Папы, нужно его попытать
Сигналкин
- Сигналкин
- Сообщений: 15056
- Зарегистрирован: Пт фев 02, 2007 14:57:02
- Откуда: Киев
- Авто: Nissan Qashqai 2.0 CVT
Re: Сел аккумулятор
Пт дек 05, 2014 17:25:31
oreh писал(а):Когда-то аналогичная проблема была у Папы, нужно его попытать
Мы уже в личке пообщались

Я отделался легким испугом. Одна дверь таки открылась при полусевшем акуме, просто на морозе примерзла. После пары часов в боксе открылась
flex
- flex
- Сообщений: 3520
- Зарегистрирован: Ср май 21, 2008 20:57:33
- Откуда: Киев
- Авто: Nissan Qashqai
Re: Сел аккумулятор
Пт дек 05, 2014 17:32:58
oreh писал(а):а подсветка всегда светится или с габаритами?
По схеме подсветка номера на одной шине питания с габаритами (значит, светят вместе)... и эта шина идёт на микропроцессорный блок распределения питания.
Рисковать не хочу, чтоб не спалить его электронику.
oreh писал(а):Когда-то аналогичная проблема была у Папы, нужно его попытать
Пытал уже... Папе подвезло открыть одну дверь на последнем вздохе аккума.
Хочу попробовать снять пластиковую защиту и дотянуться рукой до замка капота... для руки места вроде хватит, только не знаю где там что щупать и тянуть.
альтист Данилов
- альтист Данилов
- Сообщений: 826
- Зарегистрирован: Пт ноя 22, 2013 12:13:05
- Откуда: Бывший Гепаград
- Авто: Nissan Qashqai 2WD 1,6 CE CVT 2013
Re: Сел аккумулятор
Пт дек 05, 2014 18:03:40
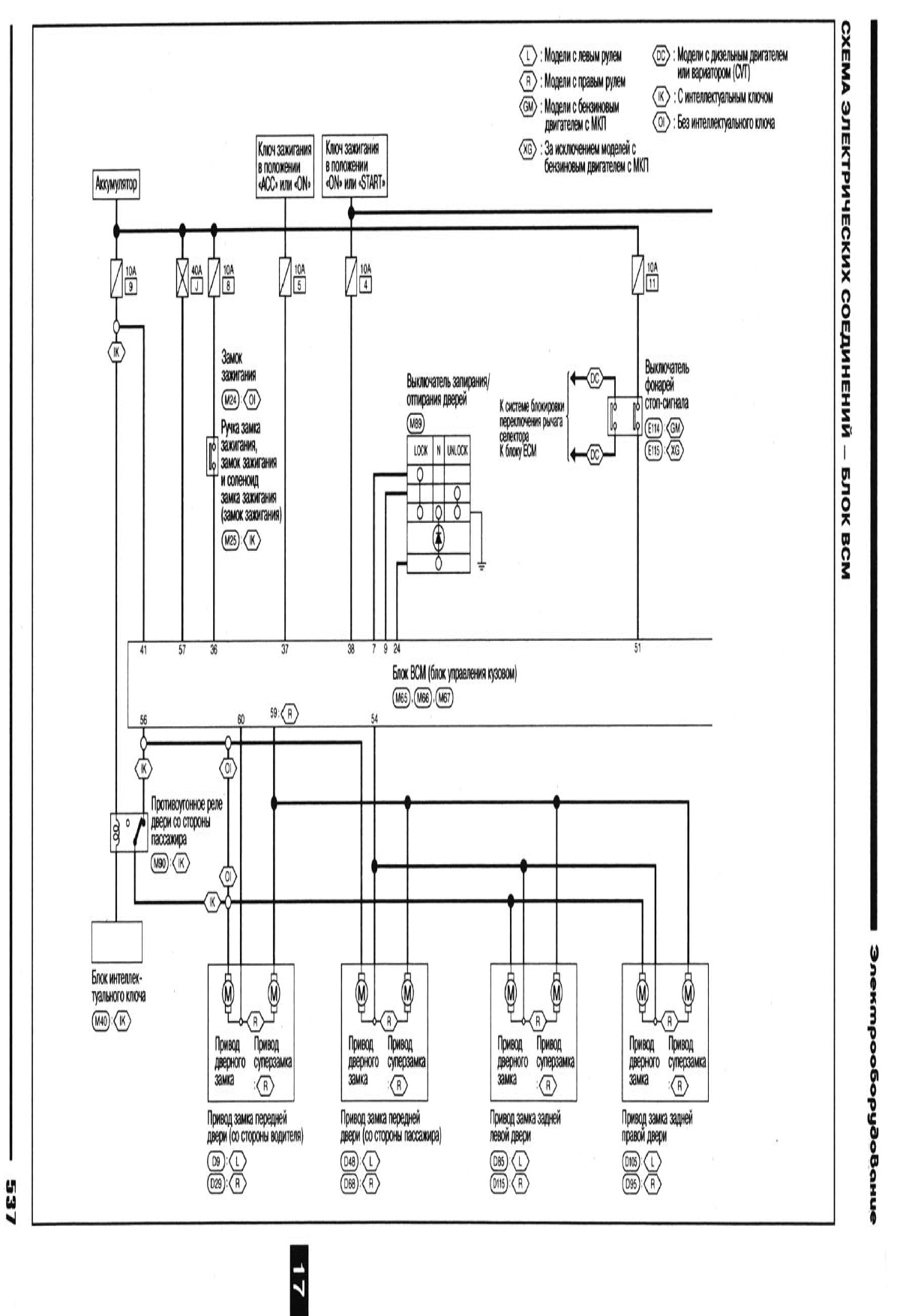
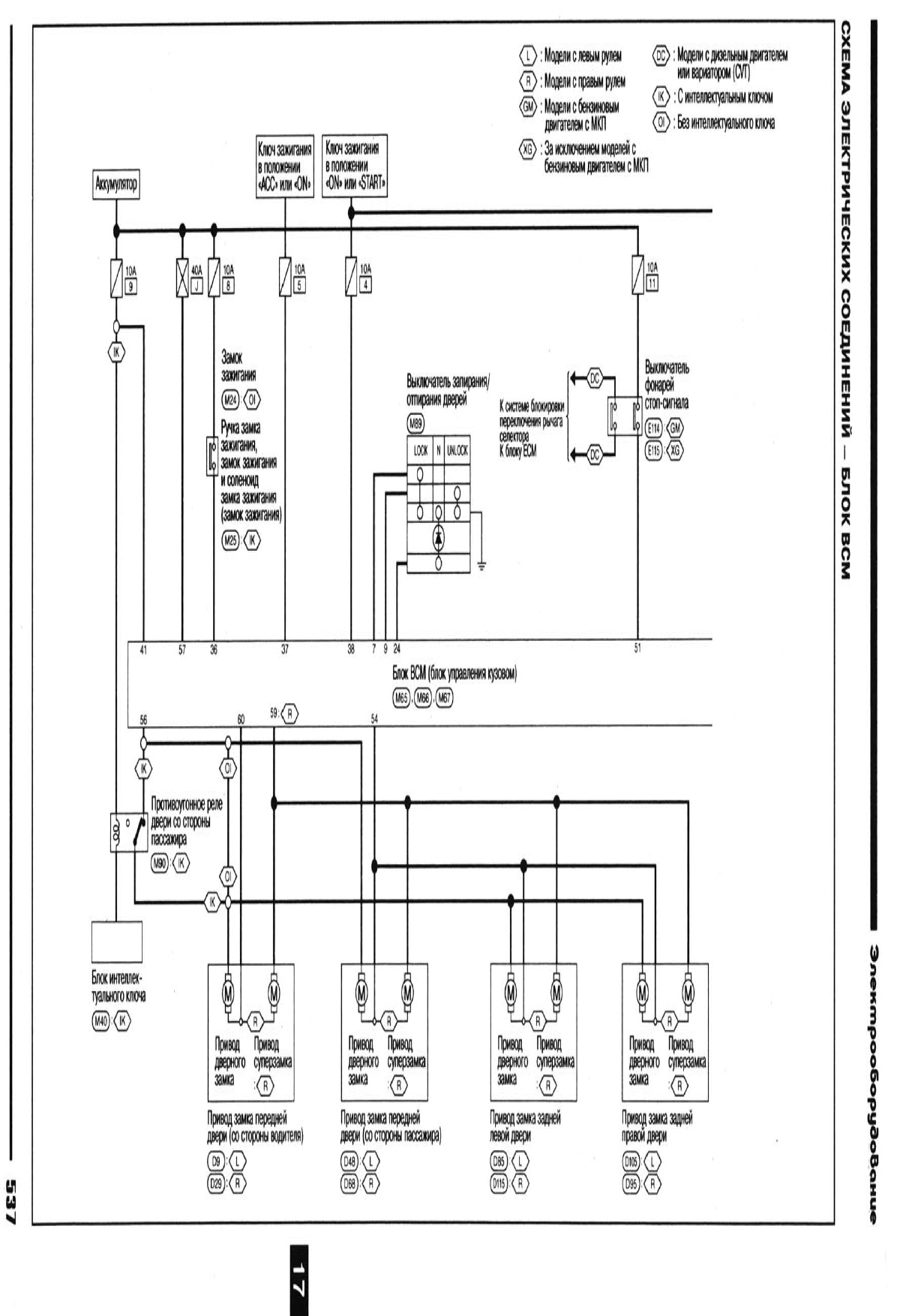
Из схемы видно, что сигнал на открывание замка водителя идет с контакта 60 блока ВСМ, скорее всего через какую-то электронику. Общий провод всех замков, с контакта 56, тоже наверное не на прямую к "массе". Поэтому, приложив 12в к заднему фонарю мы, наверное, не подадим его на замок. Как оно устроено в блоке ВСМ, нам не известно.

Думаю, правильно будет подключить аккум, попросив у соседа по гаражу (типа "прикурить") и открыть замок ключем или сигналкой.
Powered by phpBB © phpBB Group.
phpBB Mobile / SEO by Artodia.